021-6627-3227021-6627-1881
您的位置:首页 > 产品中心 > FK系列工业行星齿轮减速机 > FK系列工业行星齿轮减速机
产品中心
产品视频
产品详情
性能参数
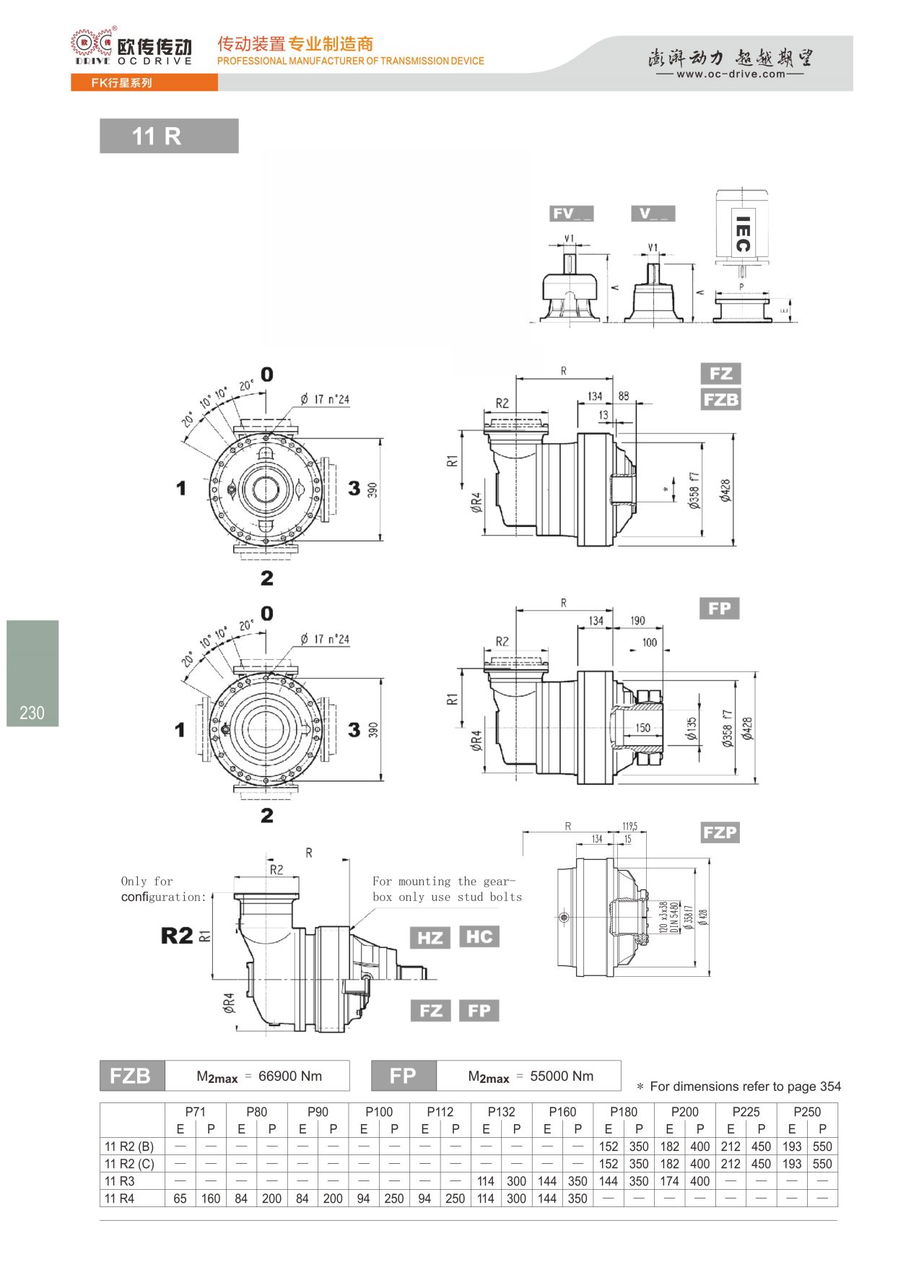
外形尺寸
上一个:B.X行星摆线减速机
下一个:ZY系列圆柱齿轮减速机
网站首页
关于我们
公司相册
荣誉资质
合作伙伴
新闻资讯
常见问题
在线留言
联系我们
网站地图
国内销售:021-66273227 / 66271881
国际销售:021-66277609
手 机:18916880218(庞经理)
手 机:18930332544(李经理)
手 机:13585580998(陈小姐)
传 真:021-56558186
邮 箱:sales@oc-drive.com
地 址:上海市宝山区呼兰西路19号智力产业园3号楼
沪ICP备12028424号-1 版权所有 上海欧传传动机械有限公司
技术支持:杭州四喜
18916880218
18930332544
13585580998
首页 产品中心 新闻资讯 联系我们